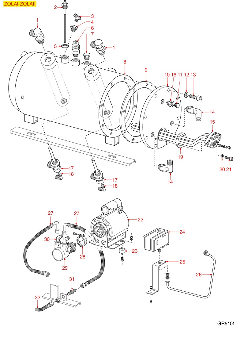
Bojler a příslušenství kávovaru Grimac model ZOLA I a ZOLA II

-
02 - Sonda
(106129)5 a více kusů skladem
212 Kč
175 Kč bez DPH
-
03 - T-kus vše samec
(106050)5 a více kusů skladem
75 Kč
62 Kč bez DPH
-
06 - Pojistný ventil
(106117)5 a více kusů skladem
351 Kč
290 Kč bez DPH
-
15 - Topné těleso 3200W
(117210)Skladem u dodavatele
1 162 Kč
960 Kč bez DPH
-
15 - Topné těleso 4500W
(117211)Skladem u dodavatele
1 056 Kč
873 Kč bez DPH
-
15 - Topné těleso 6000W
(117212)Skladem u dodavatele
1 099 Kč
908 Kč bez DPH
-
19 - Těsnění topného tělesa
(117193)Skladem u dodavatele
27 Kč
22 Kč bez DPH
-
22 - Motor
(103001)Skladem u dodavatele
4 289 Kč
3 545 Kč bez DPH
-
24 - Pressostat stavitelný
(110001)do 5 kusů skladem
1 851 Kč
1 530 Kč bez DPH
-
24 - Pressostat stavitelný Parker
(110007)do 5 kusů skladem
2 420 Kč
2 000 Kč bez DPH
-
27 - Hadice opletená
(107010)5 a více kusů skladem
163 Kč
135 Kč bez DPH
-
28 - Spona
(104012)5 a více kusů skladem
71 Kč
59 Kč bez DPH
-
29 - Rotační čerpadlo
(104005)5 a více kusů skladem
2 419 Kč
1 999 Kč bez DPH
-
30 - Kolenové šroubení samec
(106039)do 5 kusů skladem
115 Kč
95 Kč bez DPH
-
31 - Dvojitá vsuvka
(106003)Skladem u dodavatele
46 Kč
38 Kč bez DPH
-
32 - Hadice opletená
(107009)5 a více kusů skladem
175 Kč
145 Kč bez DPH
